HLS小口徑單座調節閥公稱通徑:20、25mm
公稱壓力:ANSI 125、150、300、600、JIS 10、16、20、30、40K、PN1.6、4.0、6.4MPa
連接型式:法蘭連接:FF、RF、RJ、LG、溝槽型、嵌入型
法蘭標準:JIS B2201-1984、ANSI B16.5-1981、GB/T9112~9124-2000等
HLS小口徑單座調節閥結構緊湊,有呈S流線型的通道,使其壓降損失小,流量大,可調范圍廣,流量特性精度高,符合IEC534標準。 調節閥的泄漏量符合ANSI B16.104標準。調節閥配用多彈簧薄膜執行機構,其結構緊湊,輸出力大,產品符合GB/T4213-92。小口徑單座調節閥訂貨須知:產品型號與名稱、公稱通徑DN(mm)、公稱壓力、流量特性、閥體材質、額定流量系數、介質種類和溫度范圍、閥前后壓力(壓差)、電源電壓和控制信號、其它特殊要求。
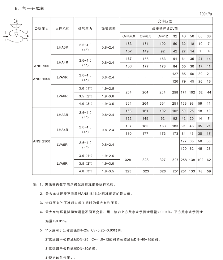
一、調節閥主要技術參數
公稱通徑:20、25mm
公稱壓力:ANSI 125、150、300、600、JIS 10、16、20、30、40K、PN1.6、4.0、6.4MPa
連接型式:法蘭連接:FF、RF、RJ、LG、溝槽型、嵌入型
法蘭標準:JIS B2201-1984、ANSI B16.5-1981、GB/T9112~9124-2000等
焊接連接:嵌接焊SW
材料:鑄鋼(ZG230-450)、鑄不銹鋼(ZG1Cr18Ni9Ti、ZG1Cr18Ni12Mo2Ti、ZG00Cr18Ni12Mo2Ti)、鈦等
上閥蓋:常溫型(P):-17~+230℃
伸長Ⅰ型(E1):-45~-17℃ +230~+566℃
伸長Ⅱ型(E2I):-100~-45℃
伸長Ⅱ型(E2W):-196~-100℃
注:工作溫度不準超過各種材料的允許范圍。
壓蓋型式:螺栓壓緊式
填料:V型聚四氟乙烯填料、含浸聚四氟乙烯石棉填料、石棉編織填料。
閥內組件
閥芯型式:單座柱塞型閥芯。
流量特性:金屬閥座 等百分比特性(%)和線性特性(L),參考流量特性曲線圖
Cv值從0.04~14的高精度流量特性符合IEC534-2標準
軟閥座 等百分比特性(%)和線性特性(L),參考流量特性曲線圖
注:關于聚四氟乙烯閥座的工作溫度和壓差,參考流量特性曲線圖
材料:不銹鋼(1Cr18Ni9Ti、1Cr18Ni12Mo2Ti、17-4PH、9Cr18、316L)、不銹鋼堆焊司太萊合金、鈦和耐腐蝕合金等
二、調節閥流量特性曲線圖分析
1、調節閥高精度的流量特性曲線(Cv=0.4~14)
![]() | ![]() |
| 等百分比特性(%CF金屬閥座) | 線性特性(LCF金屬閥座) |
2、調節閥柱塞型閥芯的流量特性曲線 (Cv=0.4~14)
![]() | ![]() |
| 等百分比特性(%TF軟閥座) | 線性特性(LTF軟閥座) |

















?公司郵箱登入
?
浙公網安備33032402002441號